
forged steel check valve
Forged steel flange piston check valve Series:Check Valve
Forged steel piston check valve
ZC Forged Steel Check Valves are available with bolted covers having spiral wound gaskets made of Stainless Steel/graphite. The check valves are available in Piston Check or Swing Check valve designs.
Check Valve Design and Specifications
ZC Forged Steel Check Valves conform to MSS-SP-118 and ASME B 16.34. Each valve is tested in accordance with API 598, and marked per MSS SP 25.
Construction
Available as Piston or Swing Check Valves
Bolted Cover
Conventional or full port
Socket Weld Ends to ASME B 16.11
Threaded Ends to ANSI/ASME B.1.20.1
Lift and Swing Check Valves for horizontal service only
Swing Check Valves offer higher Cv values
Guided Disc in valve body provides accurate sealing alignment
Welded Bonnet Check Valves are optional

|
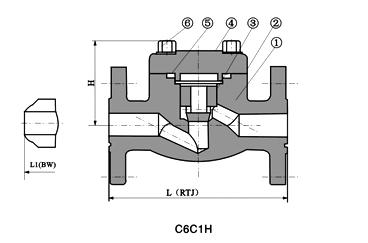
Material List |
||||||||||||||||
|
¡¡ |
||||||||||||||||
|
Item |
Part Name |
CS to ASTM |
AS to ASTM |
SS to ASTM¡¡¡¡ |
||||||||||||
|
Type A105 |
Type F22 |
Type F304(L) |
Type F316(L)¡¡ |
|||||||||||||
|
1 |
Body |
A105 |
A182 F22 |
A182 F304(L) |
A182 F316(L)¡¡ |
|||||||||||
|
2 |
Bonnet |
A105 |
A182 F22 |
A182 F304(L) |
A182 F316(L)¡¡ |
|||||||||||
|
3 |
Disc |
A276 420 |
A276 304 |
A276 304(L) |
A276 316(L) |
|||||||||||
|
4 |
Nameplate |
SS |
||||||||||||||
|
5 |
Gasket |
316+Flexible graphite 316+PTFE¡¡ |
||||||||||||||
|
6 |
Bolt |
A193 B7 |
A193 B16 |
A193 B8 |
A193 B8M |
|||||||||||
|
Suitable medium |
W.O.G etc |
W.O.G etc |
Nitric acid,Acetic acid etc¡¡¡¡ |
|||||||||||||
|
Suitable temperature |
-29¡æ¡«425¡æ |
-29¡æ¡«550¡æ |
-29¡æ¡«180¡æ¡¡ |
|||||||||||||
|
Note:Other material are available upon request. |
||||||||||||||||
|
CS=Carbon steel;AS=Alloy steel;SS=Stainless steel; |
||||||||||||||||
|
¡¡ |
||||||||||||||||
|
Size(MM)&Weight(KG) |
||||||||||||||||
|
NPS |
1/2" |
3/4" |
1" |
11/4" |
11/2" |
2" |
||||||||||
|
L(RF) |
150Lb |
108 |
117 |
127 |
140 |
165 |
203 |
|||||||||
|
L1(BW) |
300Lb |
152 |
178 |
203 |
216 |
229 |
267 |
|||||||||
|
¡¡ |
600Lb |
165 |
190 |
216 |
229 |
241 |
292 |
|||||||||
|
H |
150Lb¡« 300Lb |
61 |
61 |
79 |
95 |
103 |
118 |
|||||||||
|
600Lb |
61 |
79 |
95 |
103 |
118 |
135 |
||||||||||
|
Weight |
150Lb |
RF |
2.56 |
3.37 |
4.37 |
8.17 |
8.94 |
12.64 |
||||||||
|
BW |
1.7 |
190 |
2.1 |
5.12 > |
5.50 > |
1.89 > |
||||||||||
|
300Lb |
RF |
2.73 > |
3.65 > |
4.74 > |
8.77 > |
9.60 > |
13.70 > |
|||||||||
|
BW |
1.90 > |
2.10 > |
3.00 > |
5.12 > |
6.60 > |
7.85 > |
||||||||||
|
600Lb |
RF |
3.00 > |
4.00 > |
5.83 > |
9.47 > |
10.10 > |
15.6 > |
|||||||||
|
BW |
2.00 > |
3.12 > |
4.25 > |
7.25 > |
8.56 > |
13.60 > |
||||||||||
|
Forged steel flange piston check valve 900LB-1500LB |
|||||||||||||
|
Material List |
|||||||||||||
|
Item |
Part name |
CS to ASTM |
AS to ASTM |
SS to ASTM |
|||||||||
|
Type A105 |
Type F22 |
Type F304(L) |
Type F316(L)¡¡ |
||||||||||
|
1 |
Body |
A105 |
A182 F22 |
A182 F304(L) |
A182 F316(L) |
||||||||
|
2 |
Bonnet |
A105 |
A182 F22 |
A182 F304(L) |
A182 F316(L)¡¡ |
||||||||
|
3 |
Disc |
A276 420 |
A276 304 |
A276 304(L) |
A276 316(L) |
||||||||
|
4 |
Namplate |
SS¡¡ |
|||||||||||
|
5 |
Gasket |
SS+Flexible graphite¡¡ |
|||||||||||
|
6 |
Bolt |
A193 B7 |
A193 B16 |
A193 B8(M) |
A193 B8M¡¡ |
||||||||
|
Suitable medium |
W.O.G etc |
W.O.G etc |
Nitric acid,Acetic acid etc¡¡ |
||||||||||
|
Suitable temperature |
-29¡æ¡«425¡æ |
-29¡æ¡«550¡æ |
-29¡æ¡«180¡æ |
||||||||||
|
Note:Other material are available upon request. |
|||||||||||||
|
CS=Carbon steel;AS=Alloy steel;SS=Stainless steel; |
|||||||||||||
|
¡¡ |
|||||||||||||
|
Size(MM)&Weight(KG) |
|||||||||||||
|
NPS |
1/2" |
3/4" |
1" |
11/4" |
11/2" |
2" |
¡¡ |
||||||
|
L(RTJ) |
216 |
229 |
254 |
279 |
305 |
371 |
¡¡ |
||||||
|
L1(BW) |
216 |
229 |
254 |
279 |
305 |
368 |
¡¡ |
||||||
|
H |
79 |
79 |
95 |
104 |
120 |
139 |
¡¡ |
||||||
|
Weight |
RTJ |
8.5 |
10.5 |
15.7 |
20.8 |
27.2 |
33 |
¡¡ |
|||||
|
BW |
6.4 |
8 |
13.2 |
17.8 |
24.2 |
29.7 |
|||||||


